111
电子元器件
FA1611N
FA1611N

FA1611N 单相全集成直流无刷马达驱动芯片

FA1611是一款单相全集成直流无刷马达驱动IC,内置MOS及Hall感应器件。采用单相软切换方波驱动模式,驱动电机噪声小。可通过GUI调节相关驱动参数,定制化设置,满足不同应用场景的需求,例如,调节软切换窗口角度、提前角角度,优化不同应用场景下效率及噪声的表现;具有四段式调速曲线设置、保护重启次数设置、FG/RD输出模式选择等功能,匹配不同应用场景下输入输出的需求。
功能特点

特性

● VCC电压范围: 3.3V ~ 16V

● FA1611S驱动电流:450mA@85℃

● FA1611N驱动电流:550mA@85℃

● FA1611NA驱动电流:550mA@85℃

● 高集成度,内置MOS及Hall

● 高Hall敏感度

● 单相软切换方波驱动

● 支持FG/RD输出

● 支持SPEED、I2C两种调速输入接口

● 内置EFUSE

● 可配置四段式调速曲线

● 可配置正反转方向

● Soft-On功能使电机平滑启动,降低启动电流冲击及噪音

● 支持限流、过流、过温、堵转保护


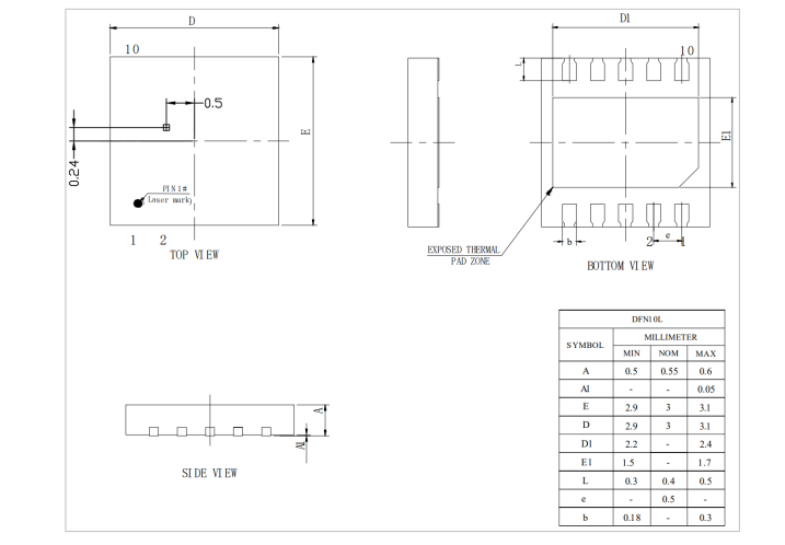
封装

DFN10

封装图
FA1611N封装图.png