FT8132Q 三相内置PreDriver直流无刷马达驱动芯片
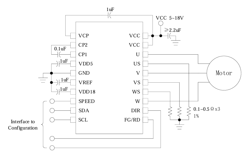
FT8132Q是一款三相内置PreDriver直流无刷马达驱动IC。芯片高度集成电机控制所需部件,所需外围元器件少,噪声低,电机转矩脉动小。内置EEPROM,可配置客户电机参数、启动和调速方式。调速接口可选择PWM、模拟输入、I2C调节电机转速,集成转速指示功能,可通过FG引脚或I2C接口实时读取电机转速。速度控制方式可选择恒转速、恒电流、恒功率和开环控制,具有电机转速指示功能,集成过流、硬件欠压、软件欠压、过压、外部过温检测、内部过温(TSD)、堵转、缺相、HALL异常等多种保护模式,睡眠电流约60uA。










