FT8215QA 三相内置MOSFET直流无刷马达驱动芯片
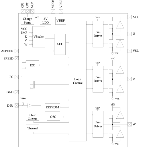
FT8215QA是一款三相内置MOSFET无传感器磁场定向控制直流无刷马达驱动IC。芯片高度集成,外围元器件少,电机噪声低,转矩脉动小。GUI可配置客户电机参数、启动和调速方式,并储存在内置的EEPROM。调速接口可选择模拟电压、PWM、I2C、CLOCK调节电机转速。集成转速指示功能,可通过FG引脚或I2C接口实时读取电机转速。控制方式可选择恒转速、恒电流和电压环控制。集成过流、欠压、过温、堵转、缺相等多种保护模式,睡眠电流40μA。













