TMCM-6213电机控制器驱动器模块(六轴)
TMCM-6213是一个用于无传感器负载相关电流控制的六轴步进电机控制器/驱动器模块。该设备由 Trinamic StallGuard2™(无传感器失速检测和机械负载测量)、CoolStep™(电流节能控制)、SpreadCycle™(高精度斩波算法)、StealthChop™ 和 DcStep™(负载相关的速度控制) 技术供电,并具有 SixPoint™ 斜坡发生器。
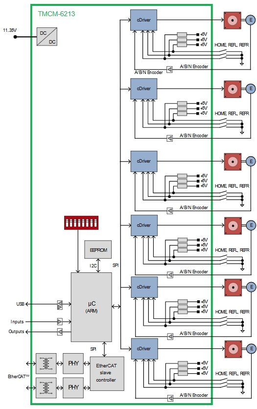
TMCM-6213是一个用于无传感器负载相关电流控制的六轴步进电机控制器/驱动器模块。该设备由 Trinamic StallGuard2™(无传感器失速检测和机械负载测量)、CoolStep™(电流节能控制)、SpreadCycle™(高精度斩波算法)、StealthChop™ 和 DcStep™(负载相关的速度控制) 技术供电,并具有 SixPoint™ 斜坡发生器。TMCM-6213能够从每个输出驱动高达1.5A的峰值电流(适当散热)。它的设计工作电压为11…35V。该设备提供USB、EtherCAT和6个编码器接口。集成协议处理器通过EtherCAT提供高级CANopen沟通。好的你需要开始是一个电源和Trinamic的免费和易于使用的TMCL-IDE。此图形用户界面允许快速设置,并支持在直接模式下使用命令,监视图形中可视化的实时行为,以及日志和存储数据。
| 参数项 | 参数值/说明 |
| 轴数 | 6 |
| 电机供电电压 | 11…35V (直流) |
| 相电流 (有效值 RMS) | 1.1A (每轴) |
| 微步分辨率 | 1…256 |
| a/b/n 增量式编码器接口 | 是 (Yes) |
| EtherCAT® 总线接口 | 是 (Yes) |
| USB 接口 | 是 (Yes) |
| CANopen over EtherCAT® (CoE) 协议支持 | 是 (Yes) |
| SixPoint™ 运动控制 | 是 (Yes) |
| DcStep™ (负载相关的速度控制) | 是 (Yes) |
| MicroPlyer™ (微步插值器) | 是 (Yes) |
| CoolStep™ (电流节能控制) | 是 (Yes) |
| SpreadCycle™ (高精度斩波算法) | 是 (Yes) |
| StallGuard2™ (无传感器失速检测和机械负载测量) | 是 (Yes) |
| StealthChop™ (静音斩波模式) | 是 (Yes) |
| 宽度 | 215mm |
| 长度 | 100mm |
| 高度 | 21mm |
