MS5620 四通道 8 位数模转换器
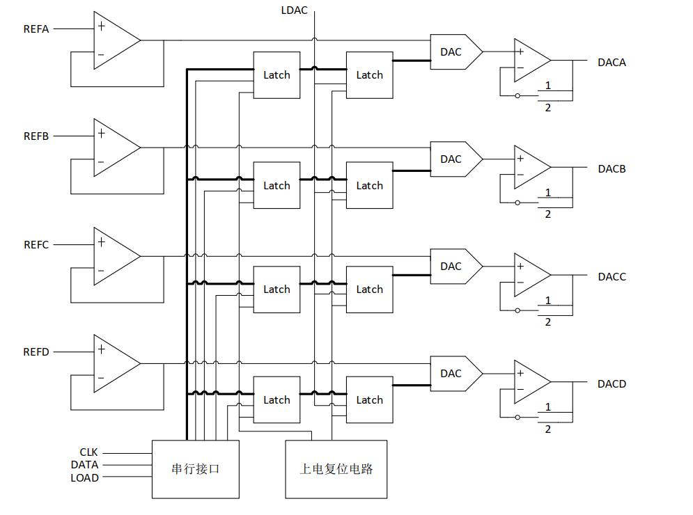
MS5620 是一个四通道、串行 8 位电压输出数模转换器(DAC),具有高阻抗缓冲基准输入。该 DAC的电压输出范围从参考电压的 1 倍或 2 倍到地之间,而且保证是单调的。因为芯片工作在 3V∼ 5V 的单电源电压下,所以简单易用。芯片的上电复位功能能够确保可重复的启动条件。数字控制是通过与 CMOS 工艺兼容的三线串行总线来实现的,易于和工业标准的微处理器或微控制器接口。
11 位命令字由 8 位数据位、2 位 DAC 通道选择位以及 1 位范围控制位组成。范围控制位使DAC 的电压输出范围是参考电压的 1 倍或 2 倍。该 DAC 有两级锁存器,允许写入一组完整的数据,然后 LDAC 控制所有的 DAC 输出同时更新。数字输入带有施密特触发器,有一定的抗噪声能力。
MS5620 的小尺寸封装使得模拟功能的数字控制可以应用在对空间面积要求比较苛刻的场合,可以在-40°C∼85°C 温度范围内工作,而且不需要外部修调。
11 位命令字由 8 位数据位、2 位 DAC 通道选择位以及 1 位范围控制位组成。范围控制位使DAC 的电压输出范围是参考电压的 1 倍或 2 倍。该 DAC 有两级锁存器,允许写入一组完整的数据,然后 LDAC 控制所有的 DAC 输出同时更新。数字输入带有施密特触发器,有一定的抗噪声能力。
MS5620 的小尺寸封装使得模拟功能的数字控制可以应用在对空间面积要求比较苛刻的场合,可以在-40°C∼85°C 温度范围内工作,而且不需要外部修调。









