MS7705 低频测量的模数转换器
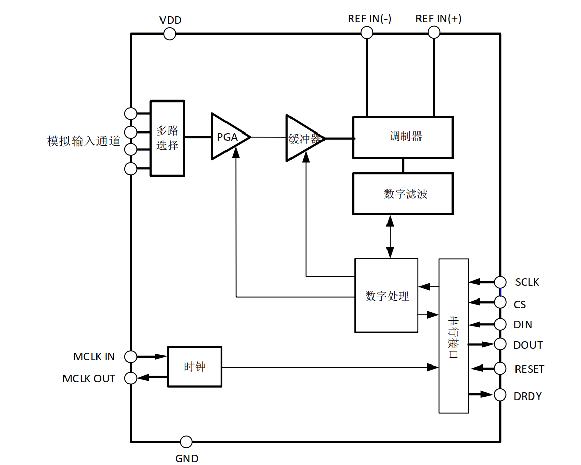
MS7705/MS7706 是一款用于低频测量的模数转换器。它采用了 Σ-Δ 转换技术实现了输出结果为 16 位的无失码。工作电压范围为 2.7V-3.3V 或 4.75V-5.25V。
MS7705/MS7706 非常适合用于智能、微控制器或基于 DSP的系统。它可通过串行接口来设置增益、信号极性以及输出速率。可以进行自校准和系统校准,从而来消除系统的增益和偏移误差。在待机模式下的功耗典型值为 20μW。
MS7705/MS7706 非常适合用于智能、微控制器或基于 DSP的系统。它可通过串行接口来设置增益、信号极性以及输出速率。可以进行自校准和系统校准,从而来消除系统的增益和偏移误差。在待机模式下的功耗典型值为 20μW。










